放大器内置型漏液开关HPQ-DP1/2-传感器/开关-苏州松琦自动化设备有限公司-专业仪表供应商
当前位置:首页 >> 产品与方案 >> 传感器/开关

传感器/开关

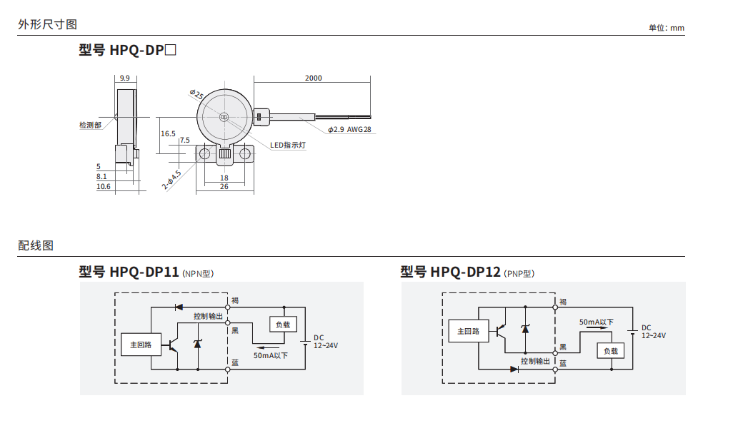
放大器内置型漏液开关HPQ-DP1/2

  • 产品时间:2025-03-17 11:01:11

简要描述:温度、压力、流量、液位、露点、阀门、变频器、远程IO、二次控制仪表专业解决方案供应商...


推荐产品

在线咨询

点击这里给我发消息 售前咨询专员

点击这里给我发消息 售后服务专员

在线咨询

免费通话

24小时免费咨询

请输入您的联系电话,座机请加区号

免费通话

微信扫一扫

微信联系
返回顶部